For full functionality of this site it is necessary to enable JavaScript.
EMIN.CO.ID
0
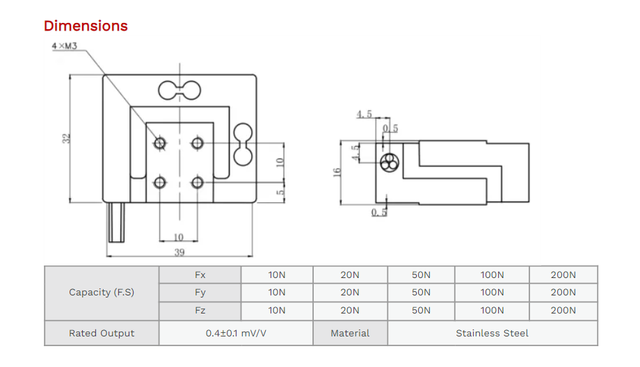
XJCSENSOR X-3A-F39-B 3 Axis Load Cell (10N~200N) | EMIN.CO.ID