Get exclusive volume discounts, bulk pricing updates, and new product alerts delivered directly to your inbox.
By subscribing, you agree to our Terms of Service and Privacy Policy.
Direct access to our certified experts
Get exclusive volume discounts, bulk pricing updates, and new product alerts delivered directly to your inbox.
By subscribing, you agree to our Terms of Service and Privacy Policy.
Direct access to our certified experts
Piezo Objective Scanner Specifications(a)
Open-Loop Travel Range: 600 µm ± 10%
Closed-Loop Travel Range: 450 µm
Open-Loop Resolution: 1 nm
Closed-Loop Resolution: 3 nm
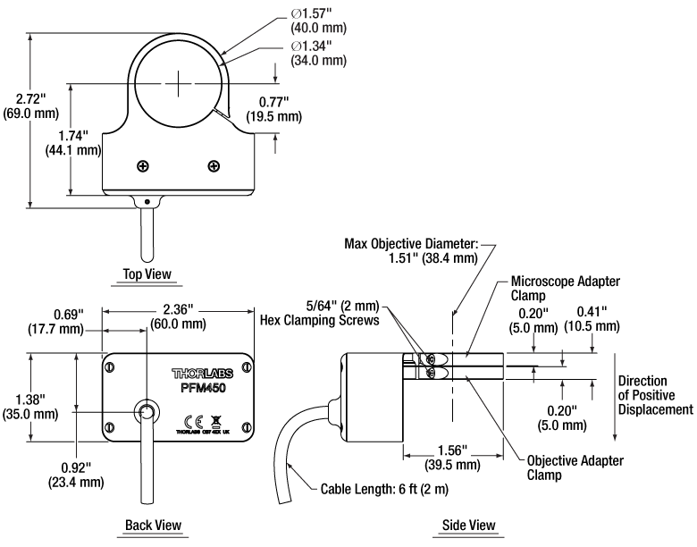
Maximum Clear Aperture(b): Ø29.0 mm (Ø1.14")
Maximum Objective Diameter: 38.4 mm (1.51")
Maximum Load(c): 500 g (1.1 lbs)
Settling Time: 25 ms (Typical) for 1 - 100 µm Steps
Resonant Frequency: 120 Hz ± 20% for 150 g Load
Position Linearity Error: ±0.05%
Tilt Angle:X-Axis(d): ±35 µrad. Y-Axis(e): ±15 µrad
Capacitance: 8.0 µF ± 15%
Cable Length: 6 ft (2 m)
Dimensions: 2.72" x 2.36" x 1.38" (69.0 mm x 60.0 mm x 35.0 mm)
Weight: 380 g (0.84 lbs)
Operating Temperature Range: 5 to 40°C
(a) A complete list of specifications is available in the manual (PDF link).
(b) The clear aperture is set by the microscope adapter and reaches the maximum of Ø29.0 mm when an M32 x 0.75 adapter is used.
(c) The center of mass of the load should be as close as possible to the scanner for best performance.
(d) The X axis is parallel to the 2.72" (69.0 mm) dimension in the drawing below.
(e) The Y axis is parallel to the 2.36" (60.0 mm) dimension in the drawing below.
Controller Specifications (a)
Piezoelectric Output
Drive Voltage Range: -30 V to +150 V
Drive Voltage Stability: 100 ppm over 24 Hours (After 30-Minute Warm-Up)
Drive Voltage Noise: <0.5 mV (RMS) (b)
Output Current: 150 mA
External Input BNC
Input Voltage Range(c): -10 V to +10 V
- Open Loop: 1 V Input = 15 V Drive Voltage
- Closed Loop: 1 V Input = 45 µm Displacement
Input Impedance: 10 kΩ
Absolute Maximum Input Voltage: ±20 VDC
External Output BNC
Output Voltage Range: 0 V to +10 V. Outputs Unprocessed Feedback, Linearized Feedback, or Signal Proportional to Drive Voltage; Selectable in the Software
Output Impedance: 100 Ω
Minimum Recommended Output Impedance: 10 kΩ
Physical Specifications
Input Power(d):
- Input Voltage: 24 VDC ± 5%
- Input Current: <2 A
Dimensions: 205.0 mm x 147.0 mm x 68.3 mm (8.07" x 5.79" x 2.69")
Weight: 1.65 kg (3.63 lbs)
Operating Temperature Rang:5 to 40 °C
(a) A complete list of specifications is available in the manual (PDF link).
(b) Measurement Bandwidth: 20 Hz - 100 kHz
(c) The drive voltage or objective displacement that is determined by the input voltage is added to the value that is set in the APT GUI. See the Software & External Control tab for details.
(d) A region-specific power cord is included with the PFM450E.
