For full functionality of this site it is necessary to enable JavaScript.
EMIN.CO.ID
0
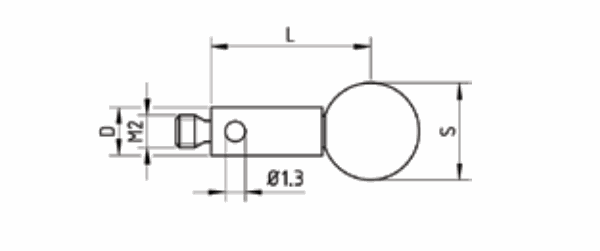
MITUTOYO K651026 CMM Touch Probe Stylus (25mm) | EMIN.CO.ID