For full functionality of this site it is necessary to enable JavaScript.
EMIN.CO.ID
0
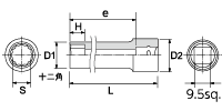
KTC B3L-7/8W 3/8"Sq. Deep Socket (12Pt.) (7/8 inch) | EMIN.CO.ID