Get exclusive volume discounts, bulk pricing updates, and new product alerts delivered directly to your inbox.
By subscribing, you agree to our Terms of Service and Privacy Policy.
Direct access to our certified experts
Get exclusive volume discounts, bulk pricing updates, and new product alerts delivered directly to your inbox.
By subscribing, you agree to our Terms of Service and Privacy Policy.
Direct access to our certified experts
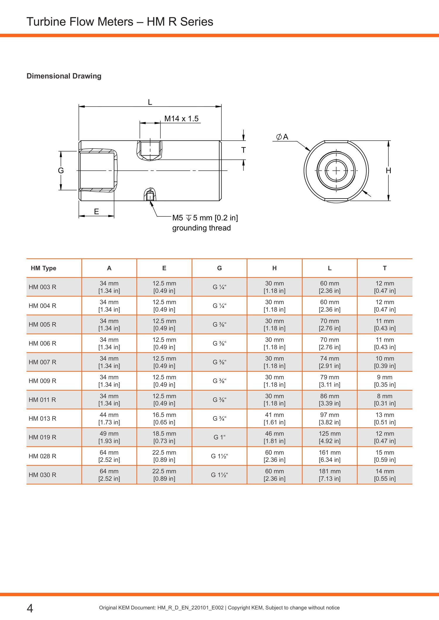
Technical Data – Sizes
HM types: HM 030 R
Measuring Range (l/min): 35 - 400 L/min
K-Factor (pulses/l)
With > 1cst: 130 pulses/l
With > 8cst: 270 pulses/l
Max. Pressure: 315 [4,570] (bar/psi)
Max. Frequency (Hz)
With > 1cst: 1,000 Hz
With > 8cst: 1,800 Hz
Weight: 2.9 kg
Technical Data – General
Measuring Accuracy: ±1%
Repeatability: ±0.05 % (under the same condition)
Linearity: ±1 % of actual flow
Measuring Span: Standard: 1:10. Extended: on request
Viscosity Range: 0.8 up to 30 mm2/s
Materials
Housing: as per DIN 1.4404 [AISI 316L], others on request
Wheels: as per DIN 1.4460 [AISI 329], others on request
Bearing: Tungsten carbide sleeve bearing
Medium Temperature: -60 °C up to +350 °C [-76 °F up to +662 °F]
Dimensions: See dimensional drawing
See datasheet for choosing suitable configurations!