Get exclusive volume discounts, bulk pricing updates, and new product alerts delivered directly to your inbox.
By subscribing, you agree to our Terms of Service and Privacy Policy.
Direct access to our certified experts
Get exclusive volume discounts, bulk pricing updates, and new product alerts delivered directly to your inbox.
By subscribing, you agree to our Terms of Service and Privacy Policy.
Direct access to our certified experts
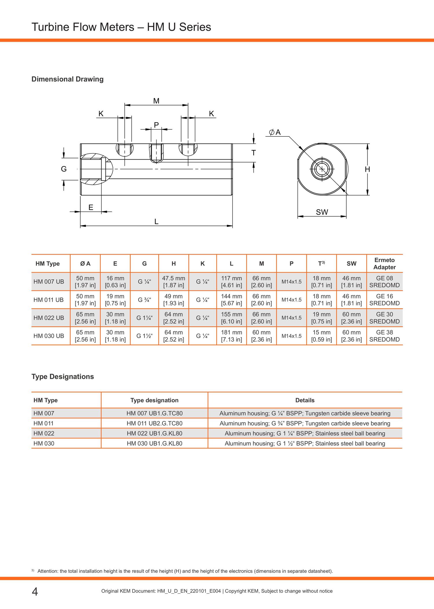
Technical Data – Sizes
HM types: HM 022 U
Measuring Range (l/min): 15 - 300 L/min
K-Factor (pulses/l): 605 (pulses/l)
Max. Pressure: 420 [6,090] (bar/psi)
Max. Frequency (Hz): 800 Hz
Weight: 1.3 kg
Technical Data – General
Measuring Accuracy: ±0.5%
Repeatability: ±0.5 % (under the same condition)
Linearity: ±2.5 % of actual flow
Viscosity Range: 30 mm2/s
Materials
Housing: as per DIN 3.4365 [EN AW-7075]
Inner parts: as per DIN 1.4305 [AISI 303]
Wheels: as per DIN 1.4122 / 1.4104
Bearing: Stainless steel ball bearing
Medium Temperature: -40 °C up to +120 °C [-40 °F up to +248 °F]
Dimensions: See dimensional drawing
Suitable media: According to PED 2014/68/EU Media group according to Article 13 Group 2
See datasheet for choosing suitable configurations!