For full functionality of this site it is necessary to enable JavaScript.
EMIN.CO.ID
0
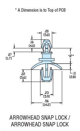
Heyco 10135 PCB Support HLSP7-06 NATURAL NYL PCB Support | EMIN.CO.ID