For full functionality of this site it is necessary to enable JavaScript.
EMIN.CO.ID
0
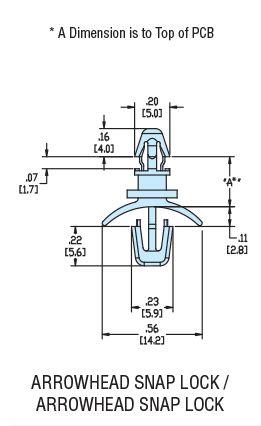
Heyco 10133 PCB Support HLSP7-04 NATURAL NYL PCB Support | EMIN.CO.ID